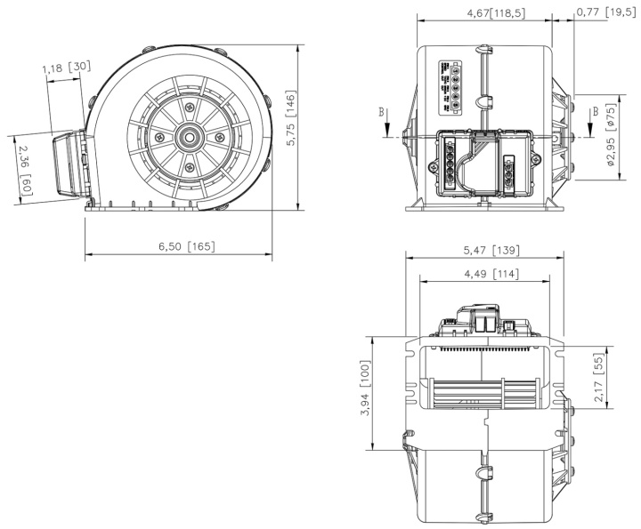
3" 12v Brushless DC Single Blower & PWM Controller - 10-100% Speed - 12v - PN:6401874
A high quality brushless PWM controlled centrifugal blower, this blower offers low EMC emissions, long life expectancy, infinite control and lower power consumption. BLDC blowers are the way forward in our low consumption future.
| Specification | Metric | Imperial & Other |
| Airflow Max | 510 m3/hr | 300 cfm |
| Static Pressure | 0 - 74 mm H20 | 0 - 2.92 in H20 |
| Weight | 1.2 kg | 2.64 lbs |
| Voltage | 12v | |
| Current Continuous | 6.5 - 15.6a | |
| Power Consumption | 78 - 187w | |
| Fan Speed | 10 - 100% | |
| Fan Type | Single Squirrel Cage Blower | |
| Protection | IP30 Certified | |
| Material | 30% GF Polymide 6 Black - Casing & Blower | |
| Warranty | 36 Months | |
| Manufacturer | FAZ Eletrik | |
| Manufacturer Certifications | ISO 9001:2015, ISO 14001:2015 , IATF 16949:2016 | |
| Part Number | 6401874 | |
