+
Horsepower
+
Newton meter
HKS

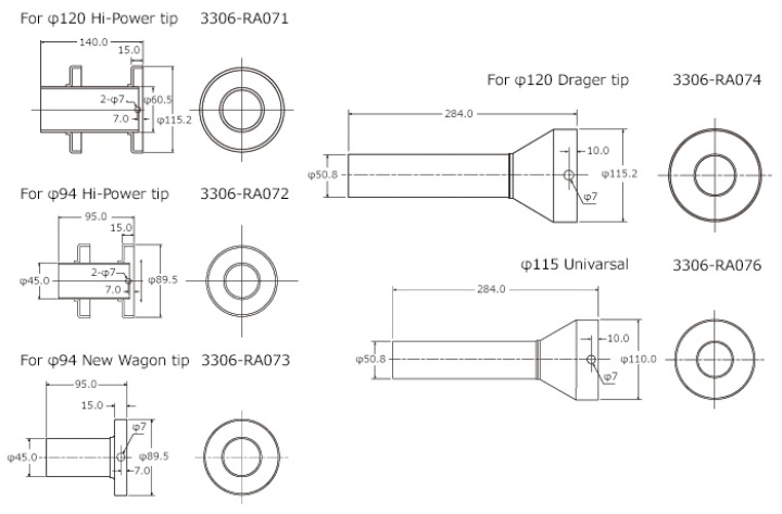
HKS 94mm Hi-Power Inner Silencer

Article nr:
3306-RA072
|
(0 reviews)
DB-killer for your HKS exhaust system
58 EUR
Delivery:  In stock
Warehouse stock:  2
Stock:
 
Add to cart
Sales Representative Image

Talk to an expert

Need help? Check fitment, get personalized recommendations and tips.

Contact us

  • Product description
  • In October 1973, two talented and spirited young engineers had a vision; to design and build high performance engines and components that major OE manufacturers could not or would not produce. HKS pioneered the Japanese aftermarket performance industry by delivering a host of exciting new products, including the first commercially available electronic turbo timer and boost controller. Other early products included piggy-back fuel computers and sophisticated fuel management tools.  Clearly HKS was Driving Performance trends for Japanese vehicles.

    Product video

    Technical specification

    Article nr:
    3306-RA072
    Manufacture Partnumber: 3306-RA072
  • Suitable for
  • Brand
  • HKS In October 1973, two talented and young engineers had a vision; to design and build high performance engines and components that major OE manufacturers could not, or would not, produce. HKS pioneered the Japanese aftermarket industry by delivering a host of exciting new products, including the first commercially available electronic turbo timer and boost controller. Other early products included piggy-back ECUs and sophisticated fuel management tools. HKS was clearly driving performance trends for Japanese vehicles forward!

    Today, HKS is one of the world's most well-known brands and the obvious choice for you who builds a JDM car. In the assortment you will find everything from chassis products to exhaust systems and turbo kits. HKS is behind some of the coolest builds and professional drivers in the world, so when you choose HKS, you choose the best.
  • Accessories & Spare Parts
  • Guarantee
  • Reviews:
  • To leave a review, you should have previously purchased this product and to your customer profile.

Last viewed products

358
DDC ECU
39020016 Coilovers DDC ECU KW Suspension
KW Suspensions 39020016 Coilovers DDC ECU KW Suspension
KW Suspensions Dynamic Damping Control ECU. Individuality in a push of a button.
Partnr: 39020016
4119 EUR (4477 EUR)
approx. 30 business days

Recommended for you

Login / Retailer
Enter your username and password below:
Username
Password
Choose country