The EWP80 (80 L/min) pump is suitable for small, medium, large, high- performance and 4WD vehicles. It''s a performance product that improves engine cooling control and capacity whilst giving you more power and torque and improved fuel economy.
The EWP80 is a practical alternative to the mechanical belt-driven pump or fitted as an auxiliary pump. Mechanical belt-driven water pumps run directly off the motor and sap engine power, the EWP80 is hardwired into your electrical system, by-passing the engine and releasing additional horsepower.
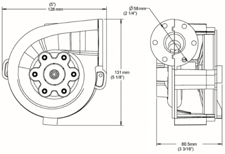
| Specification | Metric | Imperial & Other |
| Flow Rate (Max) @ 13V DC | 80 L/min | 21.13 US Gal/min |
| Min Temperature | -40 °C | -40 °F |
| Max Temperature | 130 °C | 266 °F |
| Inlet / Outlet Size | 35 mm | 1.38" |
| Weight | 0.9 kg | 2.0 lbs |
| Burst Pressure | 350 kPa | 50 psi |
| Nominal Voltage | 12V DC | |
| Operating Voltage | 3-15V DC | |
| Max Current | 7.5A @ 13V DC | |
| Pump Design | Clockwise Centrifugal with Volute Chamber | |
| Pump Material | Nylon 66, 30% glass-filled | |
| Warranty | 24 Months | |
| Manufacturer Part Number | 8005 | |
Kit Contents
| Quantity | Description |
| 1x | EWP80 Alloy 12v Water Pump |
| 1x | Elbow Adapter - 35mm (1.38") |
| 1x | Straight Adapter - 35mm (1.38") |
| 2x | Rubber Adapter Sleeve - 3mm (1/8") |
| 2x | Rubber O-Ring |
| 2x | Hose Clamps |
| 1x | Wiring Harness |
| 1x | Assorted Hardware Bag inc Relay |
Pump Control
PLEASE NOTE: This is a pump only kit. The pump can be controlled via the following methods:
1. Continuous Running: The pump can be wired direct to the battery for continuous running, this is the simplest way to wire in the pump and is most suitable for racing applications only.
2. EWP Digital Controller: Install along with a Davies Craig EWP Digital Controller, this PWM controller will adjust pump speed based on a user adjustable target engine temperature. Pumps & Digital Controllers are also available to purchase together as a kit.
3. Thermatic Fan Switch: Combined with a fan switch the pump can be wired to come on with the radiator fan only when additional cooling is required.
