+
Horsepower
+
Newton meter
AEM Electronics

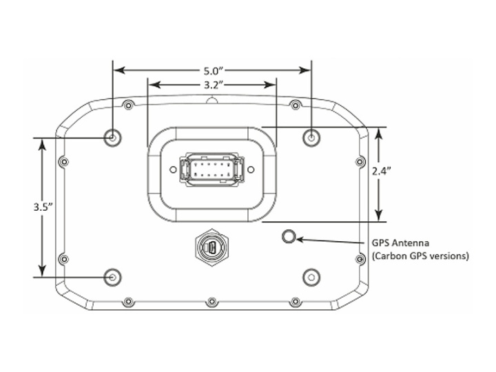
AEM CD-7 Carbon Digital Dash (Logger / Non-GPS)

Article nr:
30-5701
|
(0 reviews)
0
2260 EUR
Delivery:  Out of stock
Warehouse stock:  0
Stock: 0
 
Sales Representative Image

Talk to an expert

Need help? Check fitment, get personalized recommendations and tips.

Contact us

  • Product description
  • OVERVIEW

    CD-7 Carbon Digital Dash Displays feature a full-color, daylight readable screen surrounded by a tough, lightweight flow-molded carbon fiber composite housing. Seven ultra-bright LEDs span the top of the display housing for RPM and shift light indication. Users can program them to ascend in specific increments based on RPM range and flash when it is time to shift. Brightness is user programmable on the fixed color LEDs. Two large buttons are included on the face of the display, allowing easy page changing and memory resetting even with driving gloves on. These button functions are included in the supplied rear connector, allowing the user to mount remote buttons. Two additional programmable LEDs are located above the toggle buttons on the top of the housing on either side of the integrated LED shift lights.

    KEEP IT SIMPLE OR GO HARDCORE

    CD-7 Carbon Dashes can simplify the update of an instrument cluster or ease the instrumentation configuration of a new vehicle build. Since the CD-7 Carbon only requires a single cable for power, ground and receiving CAN data, the wiring goes from complex to a simple one plug connection. Street rods, kit cars, and resto-mods using late-model crate engines no longer have to be concerned with adding a full set of gauges and trying to keep the wiring clean, or having to double up sensors on the engine so the ECU and gauges both have data – The CD-7 Carbon can see everything the ECU is seeing via a single cable connection – and that means so can you!

    Want to go hardcore? CD-7 Carbon Dashes make it easy. Add additional sensor data with our 22 Channel CAN Sensor Module, create custom layouts, integrate track mapping and data logging for driver coaching, see predictive and actual lap times and set user-defined prioritized alarms - it's all possible with the CD-7 Carbon Dash. Simple or Hardcore; the choice is yours and the CD-7 Carbon's capabilities are nearly limitless.

    VIEW AND LOG DATA FROM OVER 250 CAN DEVICES!

    The CD-7 Carbon receives channels from CAN bus inputs and it does not require special modules to read AEM and/or 3rd-party CAN signals. It communicates with 45 AEM devices, is in-house tested to work with 230 non-AEM devices and we have DBC CAN files for 60 more non-AEM devices. See a complete list of validated non-AEM devices by clicking here.

    AEM engineers have created templates for some non-AEM CAN bus devices in the CD-7 Carbon’s free DashDesign software, and we add more every time we update the software. All 3rd Party platform-specific templates in DashDesign include CAN definitions and do not require uploading a DBC file; however, the upload of 3rd party DBC CAN files to the software will be necessary for proper operation if they are not yet included in our software. We make it easy though! These files are available in our Forum, allowing you to make the connection to a CD-7 Carbon dash regardless of whatever engine management, data logger or CAN-based device you are using.

    The bus configuration and messages are fully configurable; it even supports indexed messages. Custom CAN configurations can be imported via industry standard DBC files or the user can manually enter each message and channel. The user can then rename, filter, calibrate, change units and log any CAN channel, as well as direct these channels to inputs on our pre-defined or user-created templates.

    VIEW AND LOG DATA FROM LS CRATE ENGINES

    AEM CD dashes have been in-house validated to communicate with the GM E67 ECU for LS Crate engines click here for the setup guide. The CD dashes receive OBDII CAN bus channels from the bulkhead connector in the stock wiring harness, leaving the OBDII port open for diagnostic or tuning purposes.

    VIEW AND LOG DATA FROM 08-UP LATE MODEL STOCK ECUS

    CD-7 Carbon Digital Dash Displays have the ability to read CAN bus data from the OBDII port of 2008-up vehicles with a simple installation of our OBDII CAN Adapter Sub Harness (PN 30-2217, sold separately). This cable provides plug & play access between the CD- Carbon’s harness and the vehicles OBDII connector and provides approximately 20-40 channels of data from the stock ECU.

    VIEW AND LOG DATA ON VEHICLES WITH CARBURETORS OR PRE-2008 STOCK ECUS

    AEM’s 22 Channel CAN Sensor Module (PN 30-2212, sold separately) lets you get data onto the Dash in a carbureted vehicle or a pre-2008 EFI vehicle using the stock ECU. It converts analog, digital and frequency inputs into an AEMnet CAN bus signal that can be transmitted to the CD-7 Carbon Dash for viewing and/or data logging, including tachometer and fuel level, wheel speed inputs for MPH, and inputs for pressure/temp sensors. Need more than 22 channels? You can daisy-chain two of the Modules together, which is ideal if you have a logging CD Dash and want to log more channels.

    ADD 8 ADDITIONAL TEMP INPUTS WITH OUR 8 CHANNEL K-TYPE EGT MODULE

    Our 8 Channel K-Type EGT Module (PN 30-2224, sold separately) allows racers and enthusiasts to install eight K-type thermocouple sensors onto their vehicle and transmit all 8 temp channels to a CD Carbon Digital Dash via a one-plug CAN bus connection.

    LOGGING, TRACK MAPPING, SPEEDO and ODO CAPABILITIES

    CD-7 Carbon dashes are available with a 200MB onboard logger (CD-7L/LG), which provides about 24 hours of logging time at up to 1,000 Hz/channel. It will accept as many channels as are available from either of the CAN bus inputs and we have tested it to accept up to 800 channels. Individual channel log speeds are adjustable.

    The CD-7 Carbon and CD-7L Carbon are available with an internal GPS receiver and antenna (CD-7G & CD-7LG), which provides coordinates for creating track maps, viewing/recording lap times and split times, and seeing predictive lap times on the display with a live Gain/Loss value or for the use of a Speedometer and/or Odometer.

    Racers looking for acceleration forces and vehicle dynamics channels in addition to GPS can purchase a Vehicle Dynamics Module (VDM, PN 30-2206, sold separately). The VDM includes a GPS receiver and antenna, a 3-axis gyroscope for viewing and recording roll, pitch and yaw, and a 3-axis accelerometer for collecting longitudinal, lateral and vertical acceleration.

    UNLIMITED ALARMS AND WARNING TEXT

    The CD-7 Carbon’s warning and alarm features put an end to obscure warning LEDs! DashDesign software features a powerful alarm editor to create warning alerts and alarms for any incoming channel using customizable text in almost any language. This allows you to see warnings and alarms with text values that you can program and eliminates having to guess the meaning behind a triggered warning LED or generic alarm like a check engine light.

    We designed a dedicated alarm page that brings your attention to the dash in the event of a potentially catastrophic issue. The CD-7 Carbon triggers the alarm page whenever a user definable condition is met. This includes the status of the channel that triggered the alarm (for example, low oil pressure, low fuel pressure, high coolant temp, etc.), and if multiple alarm conditions are present, the CD-7 Carbon will scroll them on the screen in order of priority so you are aware of every critical alarm condition. This user-defined and user-prioritized scrollable feature is included for text warnings on the main pages as well.

    SEVEN PAGES TOTAL, ALL CUSTOM CONFIGURABLE

    The CD-7 Carbon Digital Displays are fully configurable and completely unlocked, so you will never pay for additional software features. They include seven total pages; a startup page, four main pages for viewing channels that can be toggled using the left button on the housing, a unique ‘On-Change’ page and a dedicated Alarm event page. All pages are 100% customizable; Use our layouts or create your own and put whatever channels you want wherever you want on the screen.

    THREE EVENT TRIGGERED PAGES

    Three event-based pages ensure that you do not miss any critical changes to the vehicle’s operating state. One is an alarm page. The CD-7 Carbon dash will display the alarm page whenever a user-definable condition is met. This page remains active until it is cleared by pressing the left button on the housing.

    The second event-based page is an On-Change page. The On-Change page is perfect for knowing what map you are on if you have map switching for different boost levels or traction control, and for viewing lap time, split time, etc., whenever you pass the start/stop beacon on the racetrack (beacon must be configured before racing). It is perfect for seeing user-defined momentary changes without having to add additional channels to your main pages.

    The third event page is a Start-Up page that is triggered every time the dash powers up. You can program whatever splash screen graphics you want, such as team, company or sponsor logos and photos.

    FREE DASHDESIGN GRAPHICS EDITOR SOFTWARE

    Our DashDesign Screen Editing software is free and allows users to create and customize all of the different pages in the CD-7 Carbon dash. You can assign incoming channels to the supplied layouts or create your own from scratch, the only limit is your imagination! We provide multiple layouts and themes to accommodate most styles and types of racing. We add new layouts when we update the software, and make them available for download at no charge.

    Product video

    Technical specification

    Article nr:
    30-5701
    Manufacture Partnumber: 30-5701
  • Suitable for
  • Universal
  • Brand
  • AEM Electronics
    AEM Electronics sets the standard in the performance aftermarket by providing enthusiasts and racers with innovative electronic components for maximum performance.
    You must have heard of AEM UEGO Wideband Lambda? Or AEM Truboost Boost Controller?
    The range of products is perfect for you who builds cars, both for checking the car's values, but also for you who optimize and try to get the most out of your car. 

    AEM Electronics offers gauges, dashloggers, displays, EV parts, fuel pumps, software, data boxes, etc.

  • Accessories & Spare Parts
  • Guarantee
  • Reviews:
  • To leave a review, you should have previously purchased this product and to your customer profile.

Last viewed products

QSP Connector - Checkbox - QCB-C12-0002-A QSP Products
Founded in 1983 in Holland, QSP Products specializes in rally and racing components. They're the first Dutch company with FIA Homologation, ensuring their products meet international racing standards. With nearly 40 years of experience, they offer quality racing electronics, safety equipment, and components at competitive prices.
81 EUR
Buy!
Special order
Fast delivery
External Terminal for Battery - M8 QSP
QSP External Terminal for Battery - M8 QSP
Black or Red! External battery terminal is perfect for those who have rebuilt with the battery in the trunk but want terminals in the front of the engine compartment.
10 EUR
2-4 business days

Recommended for you

Login / Retailer
Enter your username and password below:
Username
Password
Choose country